Hero of CELLA INDICTUS: A Profundum Dive in Forklift Ferens Technology In ...
READ MORE
Stock code: 920002
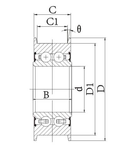
● Materia et calor curatio ad malum Forklift anulum portantes
Delectu materiarum anulorum masculorum portantium (sagittis inclusis) in diversis oneribus et structuris in partibus anuli sustinendis nititur. Fere ferrum ferens, summus qualitas chalybis carbonis structuralis, chalybem carburizatum, aliaque materia fabricanda delecti sunt. Diversi processus curatio caloris adhibentur ad obtinendas proprietates mechanicas ad portandas partes annuli.
● Onus et structura forklift malum portantes
In malo partus magnitudo oneris primum est considerare cum gestus eligens. Sub conditione eiusdem altioris dimensionum gestuum, capacitas cylindri structuram ferentem maxima est, quam duplex sequitur. -row globus compages et capacitas pilae unius ordinis gerens structuram relative parvam est. Inter gestus huius generis structurae, portans capacitatem oneris pilae (vel cylindri) maior est quam portationis cum cavea. In praemissa sufficienti onere capacitatis, norma pilae unius ordinis structura praeferri potest.
● Differentiae inter forklift malum gestus et alia vexillum gestus
Cum aliis signiferis gestus comparati, mali gestus maxime distinguuntur in eo quod anulus interior statarius relativus scapo et anulus exterior revolvitur, et secundum certam regulam (tempus vel plaga) reciprocum, onera continenter in motu gerens.
● Differentiae inter malum forklift portantem et alios gestus in motu
In motu, circulum exteriorem mali gerens saepe fricat superficies vestigiis et continuo atterit. Secundum diversitatem materiae semitam, durities superficies ferentis rationabiliter determinabitur, et utraque custodia et usus vitae indagatio considerabitur.
| ferens No | Dimensiones (mm) | Basic onus rating (KN) | Ref. Nec. | |
| d*D*C/B* | Cr | Cor | ||
| CG25B1-1 | 25*75/65*30/20*30 | 20.46 | 15.87 | 116173 |
| CG25B1-2 | 25*102/82*40/24*44 | 20.46 | 15.87 | 103108 |
| CG25B1-3 | 25* 128/108*40/24*30 | 37.94 | 33.1 | 103831 |
| CG25B1-5M1 | 25* 108/100*35/24*39 | 58.5 | 52.8 | |
| CG28B1-1M1 | 28*63/55*30/25*32 | 13.7 | 13 | |
| CG30B1-1 | 30*100/80*42/28*32 | 30 | 22.86 | 105193 |
| CG30B1-2 | 30*100/92*45/33*45 | 39.38 | 30.41 | 109055、300700 |
| CG30B1-4M1 | 30*73/65*27/20.5*28 | 30 | 22 | |
| CG30B1-5M1 | 30*88/80*32/24*34 | 28 | 20 | |
| CG30B1-6M1 | 30* 108/100*32/24*34 | 52.8 | 58.5 | |
| CG30B1-7M1 | 30*97/82*32/22*33.5 | 35.1 | 28.5 | TRS1256 |
| CG35B1-1 | 35*115/92*45/35*34 | 40 | 31.1 | 059229 |
| CG35B1-2 | 35* 104/96*34/24*40 | 38.5 | 31 | CX7006 |
| CG35B1-3 | 35* 100/91.7*47/39.4*49 | 53 | 38.5 | CX7007 |
| CG35B1-4 | 35* 108/90*47/33*49 | 53 | 38.5 | D29Z8-82031 |
| CG35B1-6M1 | 35* 104/96*34/24*40 | 52.8 | 58.5 | |
| CG35B1-7 | 35*98/80*34/27*36 | 41.6 | 30.4 | D79R8-53001 |
| CG35B1-8 | 35* 108/90*35/21*37 | 41.6 | 30.4 | D51Y8-52031 |
| CG35B1-9 | 35*87.5/80*29/22*30 | 41.6 | 30.4 | 05039481、F-236572 |
| CG35B1-10 | 26*96/85*34/28*38 | 41.6 | 30.4 | D8S90-82001 |
| CG35B1-11 | 35*115/85*45/39*47 | 41.6 | 30.4 | |
| CG35B1-12M1 | 35* 100/91.7*47/39.4*49 | 52.8 | 58.5 | |
| CG35B1-13M1 | 35*87/80*31/25*32 | 26 | 25 | |
| CG40B1-1 | 40*85/75*26/19*28 | 20.08 | 18.7 | |
| CG40B1-2 | 40*99/85*36/28*38 | 35.12 | 28.92 | |
| CG40B1-3 | 40* 104/95.25*52/42.67*40 | 40.75 | 24.01 | 2J-290757 |
| CC40B1-6M1 | 40*97/82*32/22*33.5 | 35.12 | 28.92 | |
| CC40B1-8M1 | 40*85/75*26/19*28 | 20 | 19 | |
| CG40B1-9M1 | 40*99/85*36/28*38 | 35 | 29 | |
| CG40B1-11M1 | 40*98/80*41/33*43 | 35 | 29 | 900-3823、DSTRS1237 |
| CG40B1-13M1 | 40*90/80*26/19*28 | 32 | 25 | |
| CG45B1-2 | 45*90/80*32/26*32.8 | 30 | 26.5 | 384093 |
| CG45B1-4 | 45*88/80*32/26*328 | 30 | 26.5 | 794377 |
| CG45B1-5 | 45*106/92.5*46/7.5*47 | 47 | 38 | |
| CG45B1-6 | 45*105/91*34/25*30 | 37.8 | 33.3 | |
| CG45B1-7 | 45*105/95*40/33*41 | 47 | 38 | 502548 |
| CG45B1-8 | 45*105/95*38/30.5*4 | 47 | 38 | 51112634 |
| CG45B1-9 | 45* 120/107.6*62/56*66 | 79.6 | 60 | CG5309CL1 |
| CG50B1-1 | 50* 135/115*52/36*40 | 54 | 46.45 | 105992 |
| CG50B1-2 | 50* 112/100*40/33*42 | 52.66 | 44.58 | 29-M10-422C |
| CG50B1-6 | 50* 125/105*52/36*40 | 54 | 46.45 | 065304 |
| CG50B1-8M1 | 50* 112/100*40/33*42 | 52.66 | 44.58 | 900-3283 |
| CG50B1-9M1 | 50*88/80*33/26.5*35 | 23 | 23 | 900-3403 |
| CG55B1-1 | 55*158/130*65/55*67 | 65.75 | 58.04 | |
| CG55B1-2 | 55*135/110*56/45*58 | 58.95 | 51.07 | |

Hero of CELLA INDICTUS: A Profundum Dive in Forklift Ferens Technology In ...
READ MORE
Plus quinque decenniis, cum nostra constitutio anno 1969, Jiangsu Wanda Praec...
READ MORE
Cum eius instauratio anno 1969, JiangsuWandaSpecialBearingCo.,Ltd (Forma Ruga...
READ MORE
Intelligentes partes Forklift Side Rollers Forklift parte scutulis p...
READ MORE
Intellectus Rollerus Rota ad Vincula Rota cylindro catenis pa...
READ MORE